
符合標準:
YY/T 0462-2018,7.7細節再現
介紹:
試驗塊:帶如圖6和圖7中所示的劃線,由硬化不銹鋼材質(400VHN)制成。
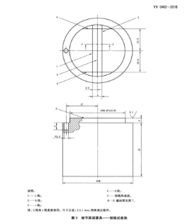
環形模具:如圖8所示。按GB/T131-2006,表面粗糙度為N5(Ra=0.4μm).
開口模具:如圖9所示。按GB/T131-2006,表面粗糙度為N5(Ra=0.4μm).




符合標準:
YY/T 0462-2018,7.7細節再現
介紹:
試驗塊:帶如圖6和圖7中所示的劃線,由硬化不銹鋼材質(400VHN)制成。
環形模具:如圖8所示。按GB/T131-2006,表面粗糙度為N5(Ra=0.4μm).
開口模具:如圖9所示。按GB/T131-2006,表面粗糙度為N5(Ra=0.4μm).




符合標準:
YY/T 0462-2018,7.7細節再現
介紹:
試驗塊:帶如圖6和圖7中所示的劃線,由硬化不銹鋼材質(400VHN)制成。
環形模具:如圖8所示。按GB/T131-2006,表面粗糙度為N5(Ra=0.4μm).
開口模具:如圖9所示。按GB/T131-2006,表面粗糙度為N5(Ra=0.4μm).



